


ÀÎÅͳÝÀÌ ¾ÈµÉ ¶§

- ³Ãµ¿ ÀåÄ¡ÀÇ ±¸¼ºÀ» ¼³¸íÇÒ ¼ö ÀÖ´Ù.
- ³Ãµ¿ »çÀÌŬ°ú ³Ã¸Å¿¡ ´ëÇÏ¿© ¼³¸íÇÒ ¼ö ÀÖ´Ù.

(1) ³Ãµ¿ »çÀÌŬ
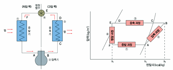
- Áõ±â ¾ÐÃà½Ä ³Ãµ¿ ÀåÄ¡ÀÇ ±âº»ÀûÀÎ ³× °¡Áö º¯È¸¦ ¼±µµ »ó¿¡ ±×·Á ³Ö¿© ¼³°è¿¡ ÇÊ¿äÇÑ ³Ãµ¿·® °è»êÀ̳ª ¿îÀü °úÁ¤¿¡¼ ³Ã¸ÅÀÇ »óŸ¦ ¾Ë ¼ö ÀÖµµ·Ï ¼³¸íÇÑ °Í

±×¸² ¥µ-15 Áõ±â ¾ÐÃà ³Ãµ¿ »çÀÌŬÀÇ ±âº» ÀåÄ¡µµ ±×¸² ¥µ-16 Áõ±â ¾ÐÃà ³Ãµ¿ »çÀÌŬ
- ³Ãµ¿ »çÀÌŬÀÇ Á¾·ù
- 1¿ø ³Ãµ¿ »çÀÌŬ
- ÇϳªÀÇ ÀåÄ¡¿¡ ÇÑ Á¾·ùÀÇ ³Ã¸Å¸¦ »ç¿ë
- ³Ã¸Å Áõ±â¸¦ ÇÑ ¹ø¸¸ ¾ÐÃàÇÏ´Â 1´Ü ¾ÐÃà »çÀÌŬ°ú 2´ë ¶Ç´Â ±× ÀÌ»óÀÇ ¾ÐÃà±â·Î ´Ü°èÀûÀ¸·Î ³Ã¸Å Áõ±â¸¦ ¾ÐÃàÇÏ´Â ´Ù´Ü ¾ÐÃà »çÀÌŬ·Î ³ª´ ¼ö ÀÖ´Ù.
- ´Ù¿ø ³Ãµ¿ »çÀÌŬ
- µÑ ÀÌ»óÀÇ ¼·Î ´Ù¸¥ ³Ã¸Å¸¦ »ç¿ë
(2) ³Ã¸Å
- ³Ãµ¿ »çÀÌŬ ³»¸¦ ¼øÈ¯ÇÏ¸é¼ Àú¿Â ÂÊ Áõ¹ß±â¿¡¼ Èí¼öÇÑ ¿À» ÀÀÃà±â¸¦ ÅëÇÏ¿© °í¿Â ÂÊÀ¸·Î ¿î¹ÝÇÏ´Â À¯Ã¼
- ÇÑ °¡Áö ³Ã¸Å·Î ¸ðµç ¿µ¿ªÀ» ¿ÏÀüÇÏ°Ô »ç¿ëÇÒ ¼ö ÀÖ´Â ³Ã¸Å´Â ÇöÀç ¾øÀ½
- ³Ã¸ÅÀÇ ±¸¸Å Á¶°Ç
- Áõ¹ß ¾Ð·ÂÀº ´ë±â¾Ðº¸´Ù Á¶±Ý ³ô°í, ÀÀÃà ¾Ð·ÂÀÌ ³·À» °Í
- ÀÓ°è ¿Âµµ°¡ ³ô°í, ÀÀ°íÁ¡ÀÌ ³·À» °Í
- Áõ¹ß¿¿¡ ´ëÇÑ ±âüÀÇ ºñ¿Àº Å©°í, ¾×üÀÇ ºñ¿Àº ÀÛÀ» °Í
- ÀåÄ¡ ºÎ½ÄÀÌ ¾øÀ¸¸ç, ÈÇÐÀûÀ¸·Î ¾ÈÁ¤ÇÒ °Í
- µ¶¼º°ú ¾ÇÃë°¡ ¾ø°í, ÀÎȼº°ú Æø¹ß¼ºÀÌ ¾øÀ» °Í
- ³Ã¸ÅÀÇ ´©¼³ ¹ß°ßÀÌ ½±°í, ´ë±â ¿À¿°¿¡ ¿µÇâÀÌ ¾øÀ» °Í
Ç¥ ¥µ-1 ÁÖ¿ä ³Ã¸ÅÀÇ Æ¯¼º


ÀÎÅͳÝÀÌ ¾ÈµÉ ¶§

